Given the technical specs of the FPGAs available to hobbyists these days, it really shouldn’t be a shock that you can implement a 486 core on one. In spite of knowing that in the technical sense, we were still caught off guard by [maniek-86]’s M8SBC project that does just that– the producing a 486 FPGA chipset with a motherboard to boot.
Boot what? Linux 2.2.6, MS-DOS 6.22 or FreeDOS all work. It can run DOOM, of course, along with Wolfenstien 3D, Prince of Persia, and even the famous Second Reality demo– though that last without sound. [maniek-86]’s implementation is lacking direct memory access, so sound card support is right out. There are a few other bugs that are slowly being squished, too, according to the latest Reddit thread.
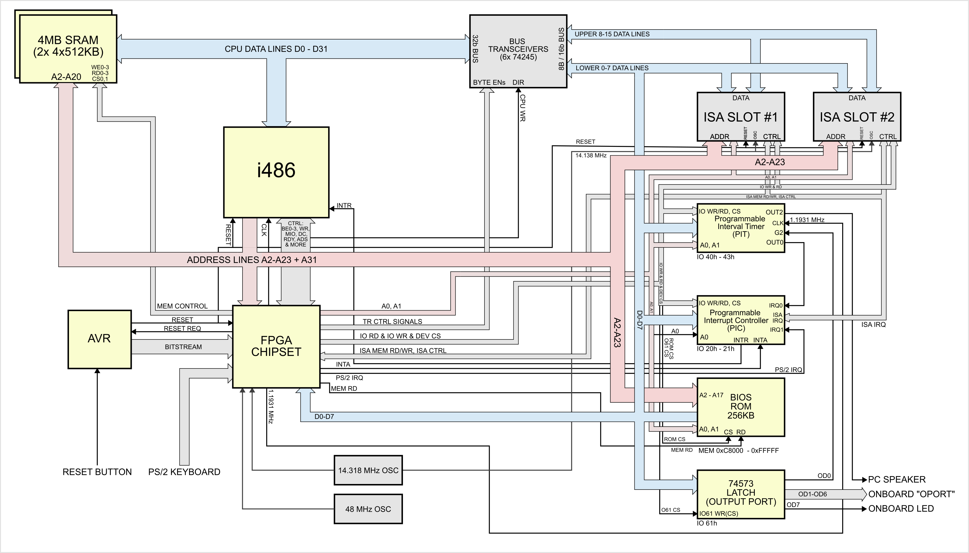
The heart of the system is a Xilinx Spartan II XC2S100 FPGA, which serves as both CPU and BIOS. The BIOS code is based on an open-source project by [b-demitri1] that’s also on GitHub, if you happen to need a PC BIOS. The FPGA isn’t doing everything: graphics is, as right and proper for a PC-compatible of this vintage, provided by an ISA card. [maniek] has tested several VGA cards and all apparently worked equally well, so that aspect of the system is apparently well in hand. The 4MB of system RAM seems pretty reasonable for a 486 build, as does restricting peripherals to PS/2 and the aforementioned ISA bus. We might have gone for a faster clock default than 24MHz, but that’s well within historical territory. Only a few bugs and the pesky lack of a DMA controller keep this from being a true PC-Compatible build, and that’s pretty amazing for one human’s hobby project.

Eventually, as stocks dwindle, reproducing retrocomputers in FPGA– as was recently done with the MSX standard–may be the only way to enjoy them. That’s probably least true of the 486, which lived on for decades in industrial hardware, but that doesn’t take away from how impressive this build is.
Thanks to [sven] for the tip! Remember: if you see something, say something, because Big Hacker isn’t always watching. (We leave that to the tech giants.)