
Occasionally a design requires capacitors that are much closer to being identical in value to one another than the usual tolerance ranges afford. Precision matching of components from parts on hand might sound like a needle-in-a-haystack problem, but not with [Stephen Woodward]’s Capacitor Matchmaker design.

The Matchmaker is a small circuit intended to be attached to a DVM, with the output voltage indicating whether two capacitors (A and B) are precisely matched in value. If they are not equal, the voltage output indicates the degree of the mismatch as well as which is the larger of the two.
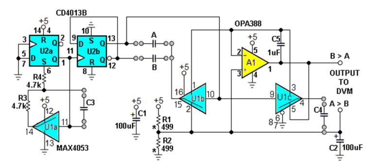
The core of the design is complementary excitation of the two capacitors (the CD4013B dual flip-flop achieves this) which results in a measurable signal if the two capacitors are different; nominally 50 mV per % of mismatch. Output polarity indicates which of the capacitors is the larger one. In the case of the two capacitors being equal, the charges cancel out.
Can’t precision-matched capacitors be purchased? Absolutely, but doing so is not always an option. As [Stephen] points out, selection of such components is limited and they come at an added cost. If one’s design requires extra-tight tolerances, requires capacitor values or types not easily available as precision pairs, or one’s budget simply doesn’t allow for the added cost, then the DIY approach makes a lot more sense.
If you’re going to go down this road, [Stephen] shares an extra time-saving tip: use insulated gloves to handle the capacitors being tested. Heating up a capacitor before testing it — even just from one’s fingers — can have a measurable effect.
[Stephen]’s got a knack for insightful electronic applications. Check out his PWMPot, a simple DIY circuit that can be an awfully good stand-in for a digital potentiometer.