
The primary feature of stepper motors is listed right within their name: their ability to ‘step’ forwards and backwards, something which they (ideally) can do perfectly in sync with the input provided to their distinct coils. It’s a feature that allows the connected controller to know the exact position of the stepper motor, without the need for any sensor to provide feedback after a movement, saving a lot of hardware and effort in the process.
Naturally, this is the optimal case, and there are a wide number of different stepper motor configurations in terms of coil count, types of rotors and internal wiring of the coils, as well as complications such as skipped steps due to mechanical or driver issues. Despite this, in general stepper motors are quite reliable, and extremely versatile. As a result they can be found just about anywhere where accurate, step-based movement is desirable, such as (3D) printers and robotics.
For each application the right type of stepper motor and driving circuit has to be determined, of course, as they also have many reasons why you’d not want to use them, or just a particular type. When diving into a new stepper motor-based project, exactly what are the considerations to pay attention to?
Stepper Motor Types

Every stepper motor has a stator and rotor, effectively like any other electric motor. Their unique feature is the segmented nature of the stator, forming what are commonly referred to as ‘teeth’. These stator teeth are used for the coils, which align with either a permanent magnet ring, a soft iron core or both on the rotor. Much like with other electric motors the stator coils rotate the rotor, but due to this segmented design activating one coil can make the rotor progress one step in a very deterministic fashion. By successively activating these coils, the rotor will follow the magnetic field being generated and ‘stepping’ forward by a set amount on the output shaft.
As an example of a basic form you got a unipolar coil design with a permanent magnetic (PM) core, such as the very common 28BYJ-48. This stepper motor features 8 ‘teeth’ on the stator, driven by two coils wound as two levels (top and bottom) with a common center tap, giving a total of five control lines. This makes it a four-phase design, with four lines, two of which are energized in turn to move the rotor and one common line.
Although many schematic diagrams show pronounced teeth on the stator and/or rotor, this doesn’t have to be the case, as evidenced by e.g. this teardown of a 28BYJ-48 stepper motor by Cookie Robotics. The stator and its teeth are here formed by two coils, each encased in a metal plate with ‘claws’, as is typical for a tin-can stepper motor design. The metal claws are magnetized when the corresponding coil is energized, creating the north and south poles affecting the smooth permanent magnet rotor. This latter rotor’s magnet has a total of 8 alternating north-south pairs.

The choice for a PM rotor in this particular stepper motor is likely due to simplicity, while also providing decent torque when moving as well as when unpowered. Also known as cogging torque, detent torque is a property of PM rotor electric motors where the interaction between the stator and PM rotor resists movement of the latter. While useful in stepper motors with resisting a position change, it also means a lower speed and resolution compared to the alternatives, being:
- Variable reluctance core (VRC) in which the soft iron rotor has temporary magnetism due to the powered stator coils. This provides a faster speed and higher precision, but lower torque and no detent torque.
- Hybrid form, where the rotor has both PM and VRC elements, combining their advantages. The main disadvantage is the much more complex rotor construction and thus higher stepper motor cost.
What is also of note here is the gear train on the 28BYJ-48. While a stepper motor can have a gear train, it’s an optional trade-off between speed and torque. Confusingly, the 28BYJ-48 appears to come with a wide range of gear ratios, ranging from 1/64 to 1/16 and so on. This is likely due to how there is not a single manufacturer for this stepper motor, and thus a single model name covers both the 5V and 12V version, and a wide spectrum of gear ratios. Ergo, caveat emptor.
Uni- And Bipolar

The difference between unipolar and bipolar design is covered in this stepper motor overview by Monolithic Power. A unipolar stepper motor like the 28BYJ-48 has four phases, each of which is controlled by turning the coil on or off, requiring quite basic circuitry. This means that the current in each coil will always only travel in a single direction, ergo unipolar.
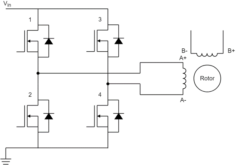
This contrasts with bipolar stepper motors, which do not have the common line and only half the coils, but which can power each coil with the current travelling either direction, ergo bipolar. Naturally, this precludes using a simple unipolar driver like an ULN2003 Darlington array, as these cannot invert the current.
The trade-off between uni- and bipolar stepper motors is thus basically one between driver and stepper motor complexity. Yet as bipolar stepper motor drivers become more affordable and prevalent, the disadvantage of a unipolar stepper motor’s requirement to have twice as much copper in coils and thus weight and bulk is unlikely to ever improve significantly.
Driver Circuits
At this point we have established that driving stepper motors requires activation of their coils in a sequence and manner that produces the desired effect on the output shaft. Here we have effectively four techniques to pick from:
- Wave mode: activate just one phase in sequence.
- Full-step mode: activate two phases adjoining the rotor’s orientation. Increases torque due to activation of two phases at the same time.
- Half-step mode: combines wave and full-step to half the size of steps. Has irregular torque as sometimes two, and sometimes one phase is active.
- Microstepping: evolution of half-step whereby the current and thus the intensity of the magnetic field from one phase is varied.
Unsurprisingly, each change to a simple wave mode requires a more complex controller, and also increases the chance of skipping a step. When picking a ready-made stepper motor driver, these can be controlled in a wide range of ways, from instructing it to step forwards/backwards, to controlling stator’s phases, or even using pulse-width modulation to control the gate signals of the FETs in a bipolar stepper motor driver.
Picking the correct driver is of course completely project-dependent, and reliant on how much control you need over the stepper motor, as well as your budget for said driver. It might even be that what you actually want is a servo motor, as also pointed out in Douglas W. Jones’ excellent tutorial on controlling stepper motors.
General Disadvantages
As useful as stepper motors are, they have a number of clear disadvantages, not the least of which is their constant current draw. As there is no mechanical mechanism to hold the stator in place, their ability to hold position and generate torque is purely determined by the powered coils and whatever magnetism the rotor may have.
This means that they are not a great choice for low-power applications, or where high load torque is a requirement. In the case of the 28BYJ-48 which we looked at in this article, that current is 240 mA typical at 5VDC, per the datasheet.
All of this has to be weighed up against the ease of driving them, their (often) low cost and lack of need for a closed feedback system. While having a decelerating gear train as in the 28BYJ-48 helps to increase the torque, ultimately stepper motors are primarily about what’s in their name: stepping in a (usually) deterministic fashion.
Featured image: Still from [Lauri Rantala]’s first steps into stepper driving.